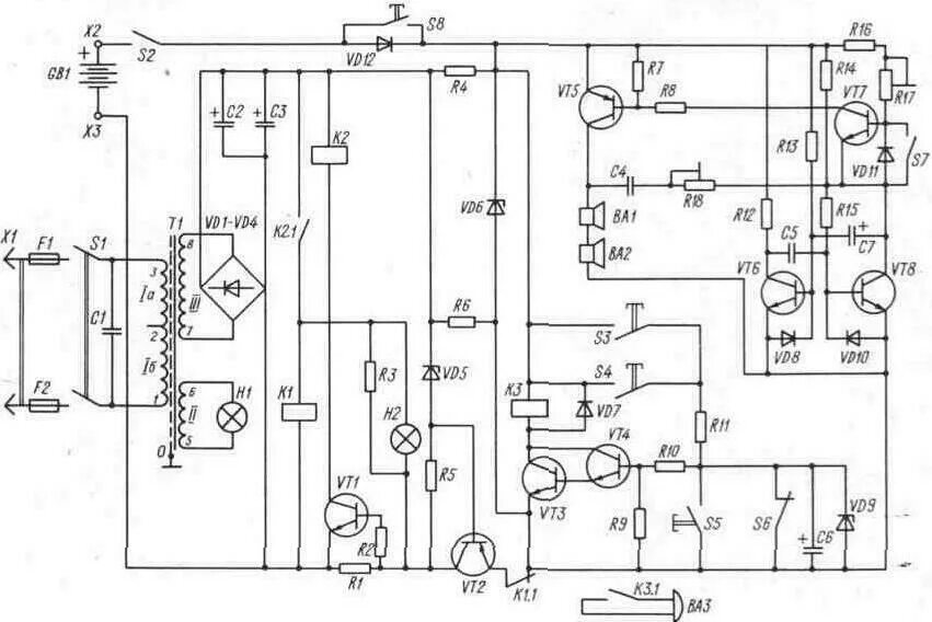
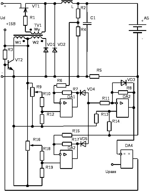
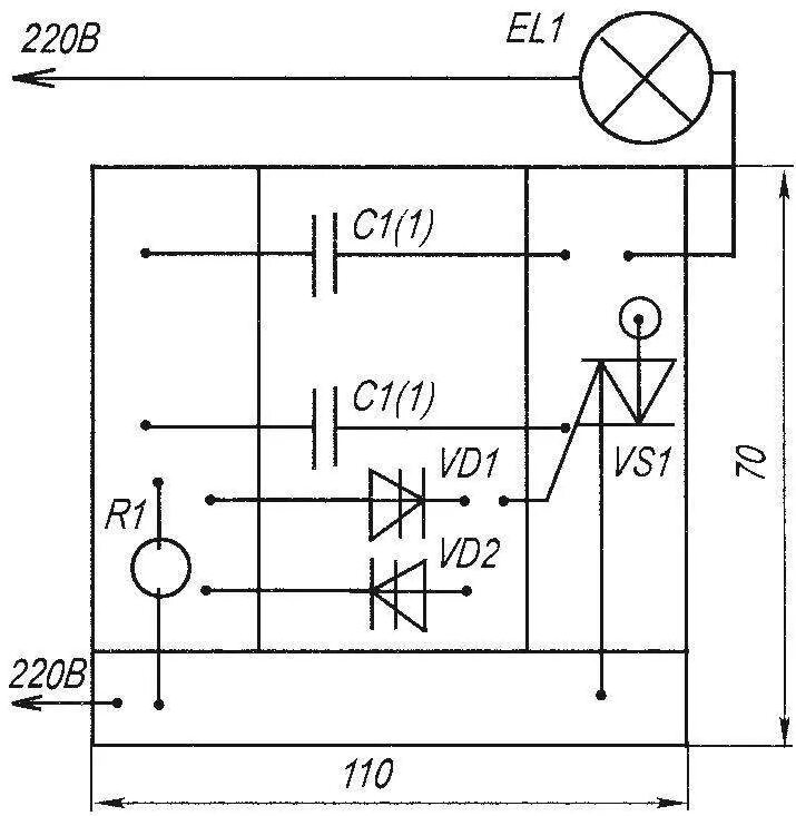
Схема зарядного устройства рассвет м