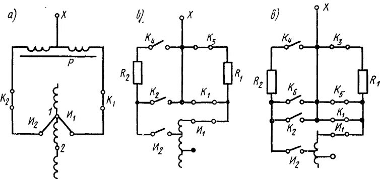
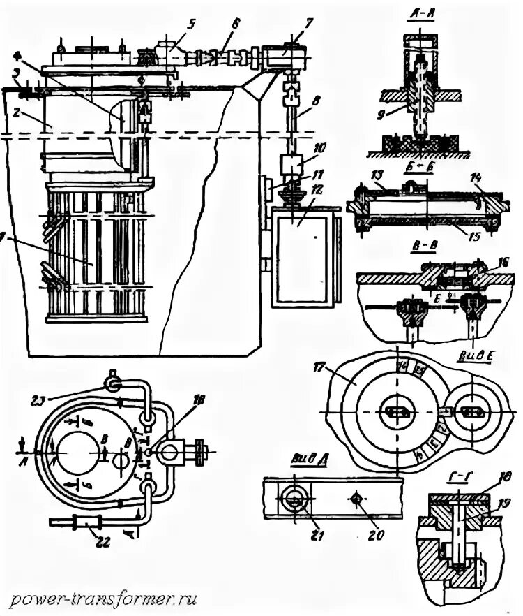
Рпн рс