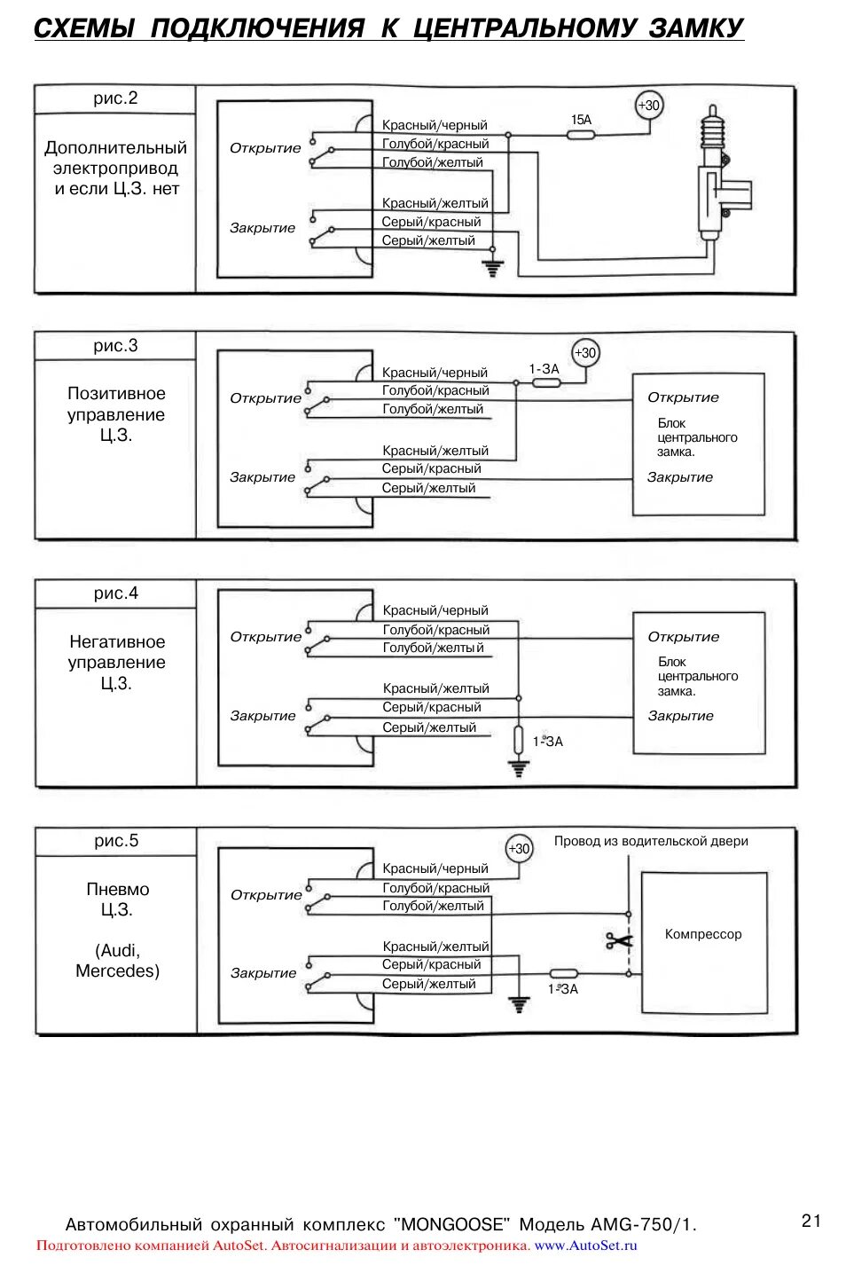
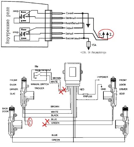
Подключение к центральному замку