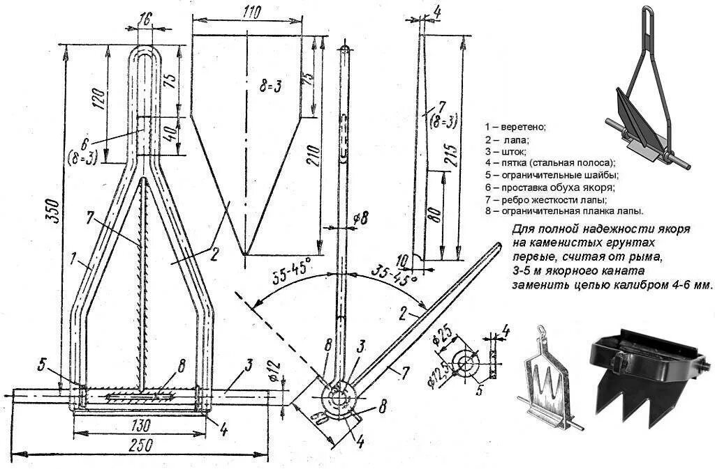
Как подобрать якорь