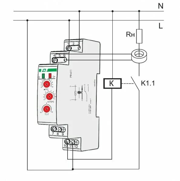
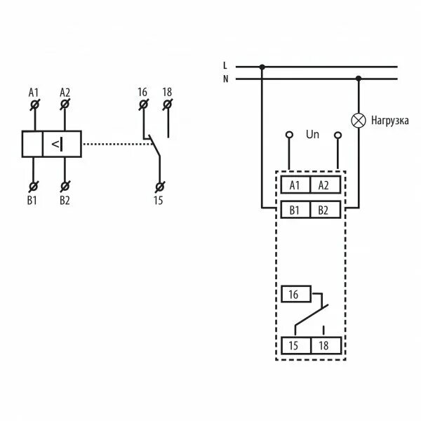
Как подключить реле тока