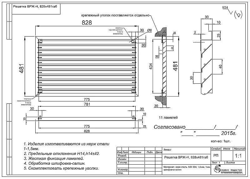
Значение решетки