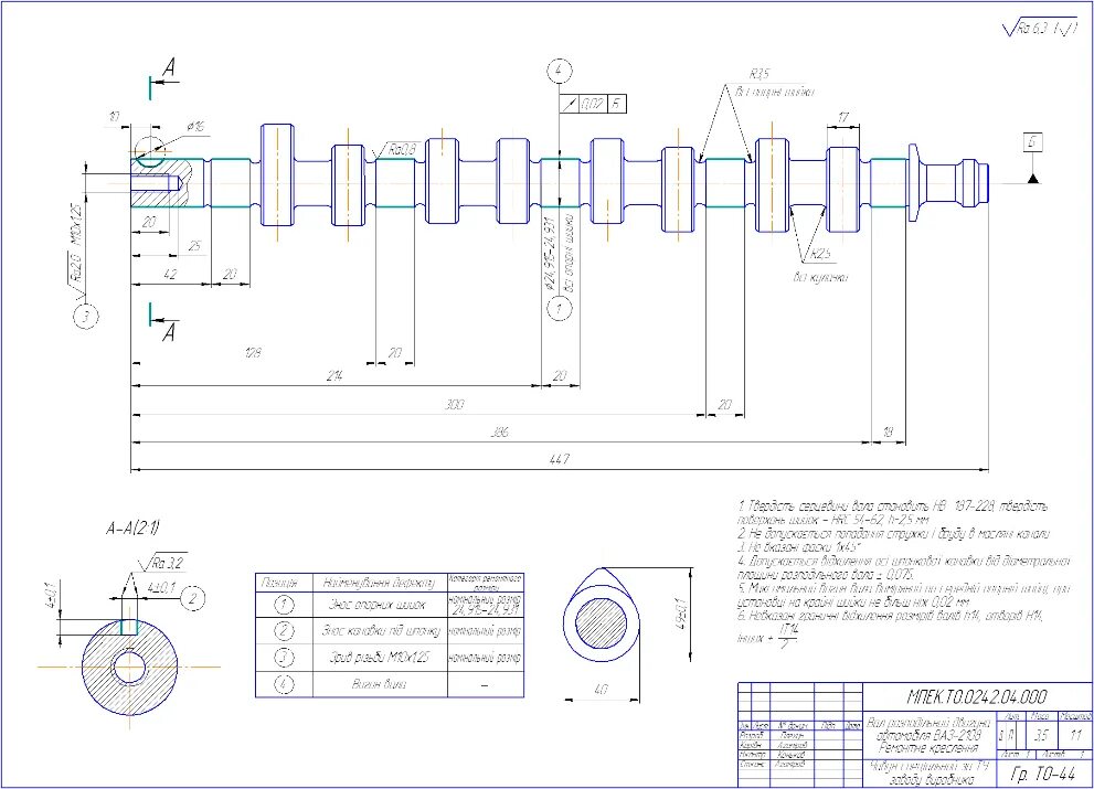
Змз размеры распредвала