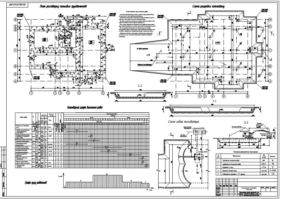
Земельные работы курсовая работа