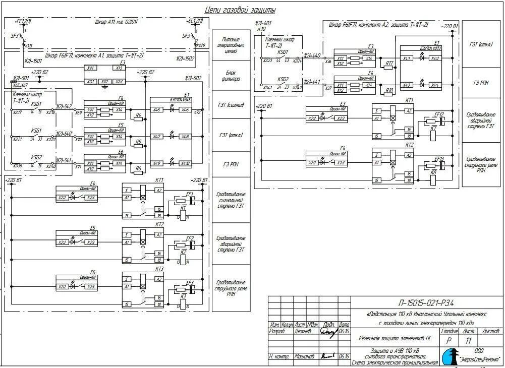
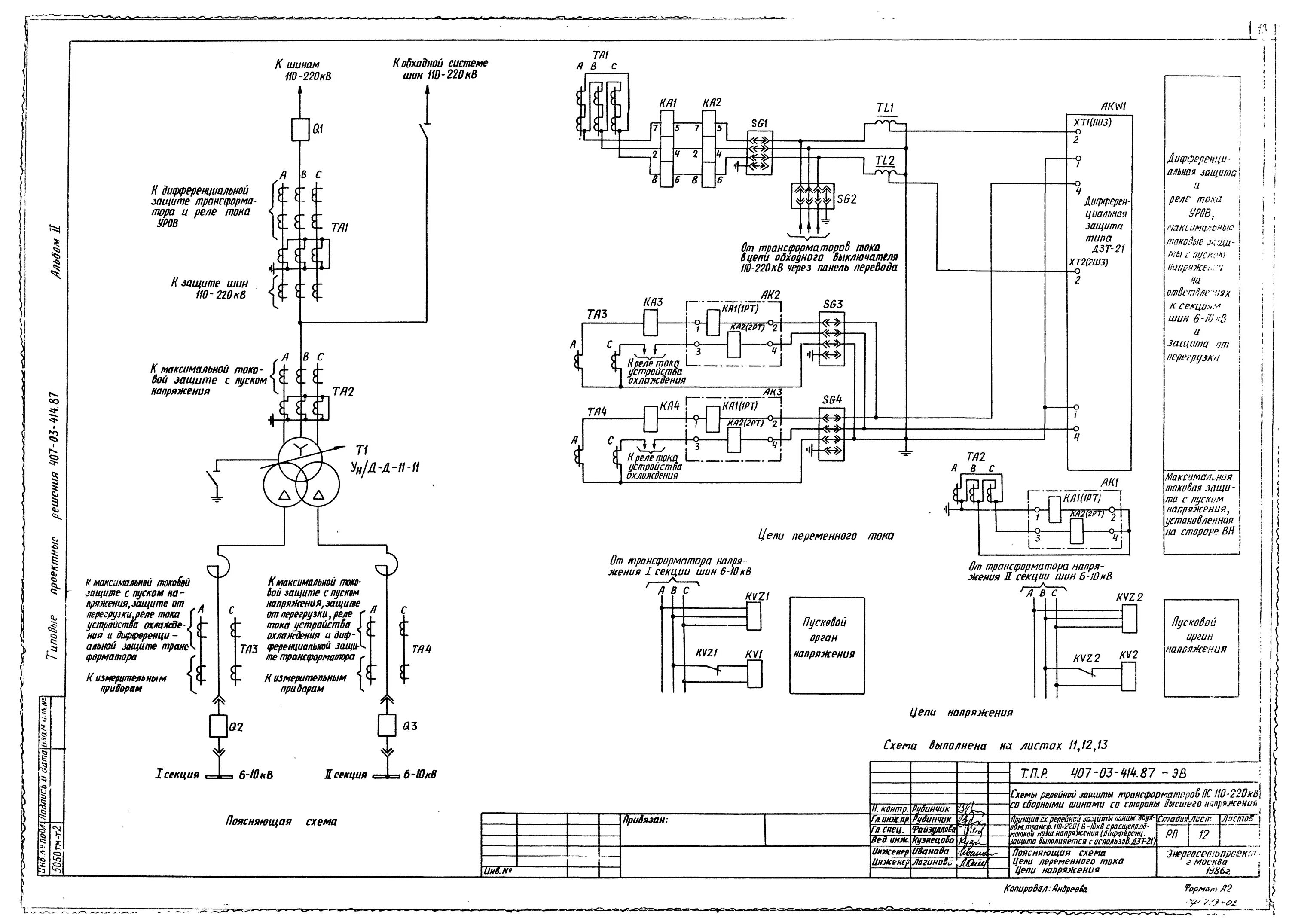
Защиты трансформатора 110