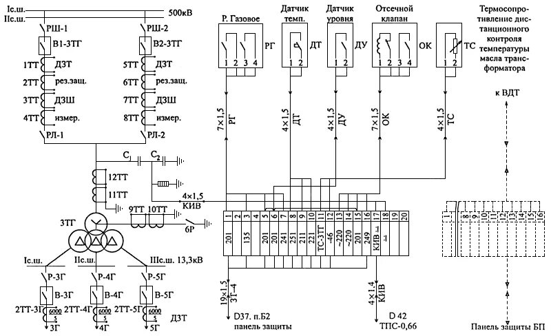
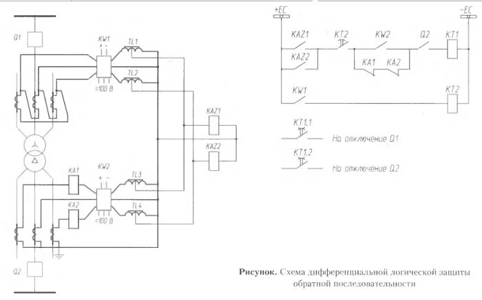
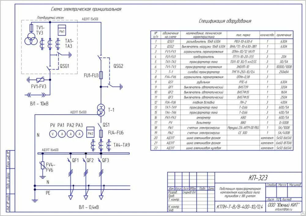
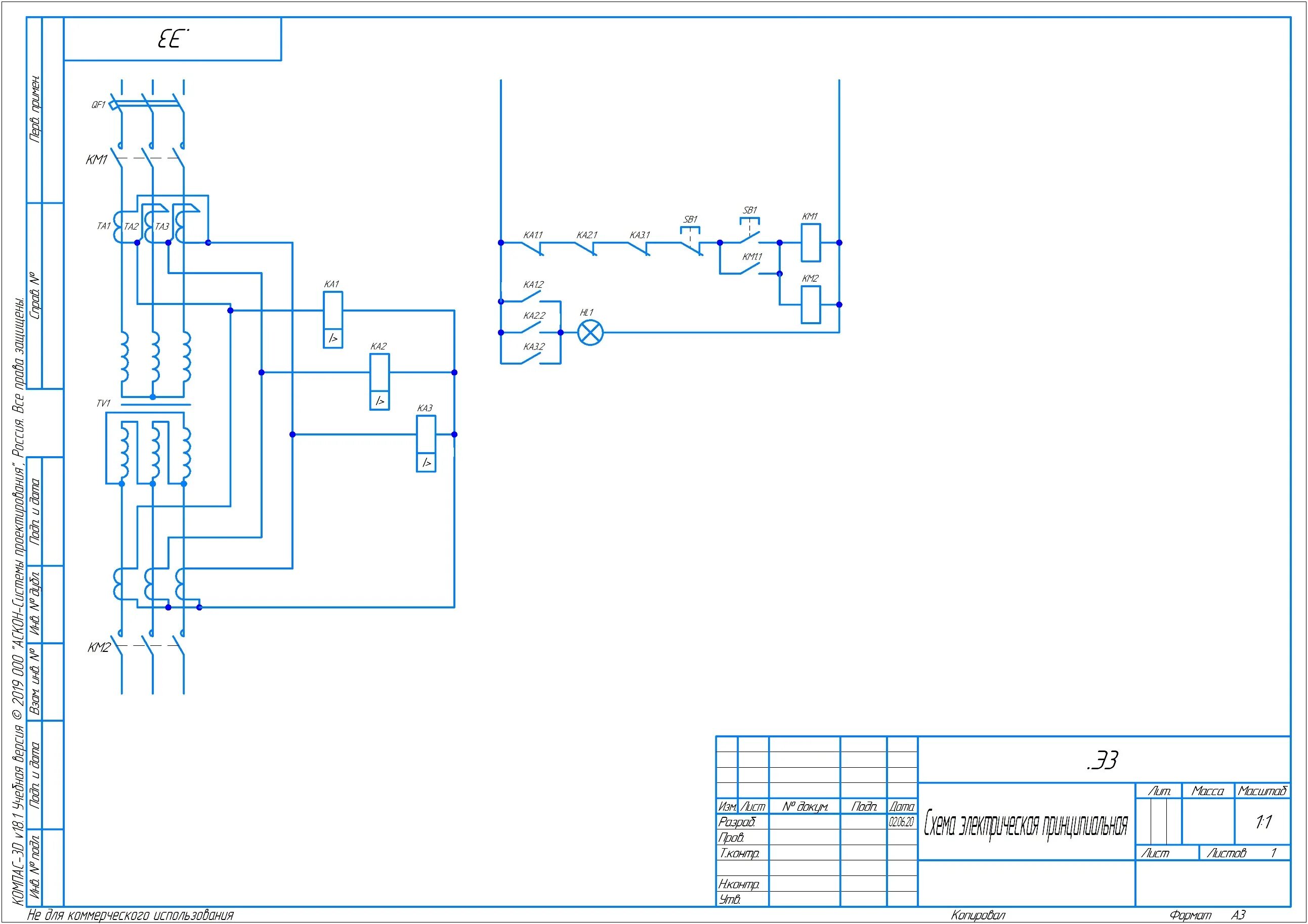
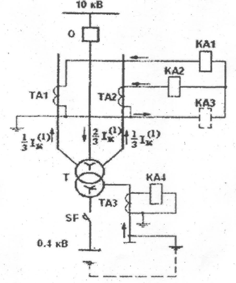
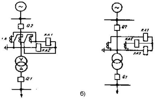
Защита трансформатора 10 0.4