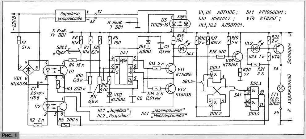
Зарядное устройство сигнал