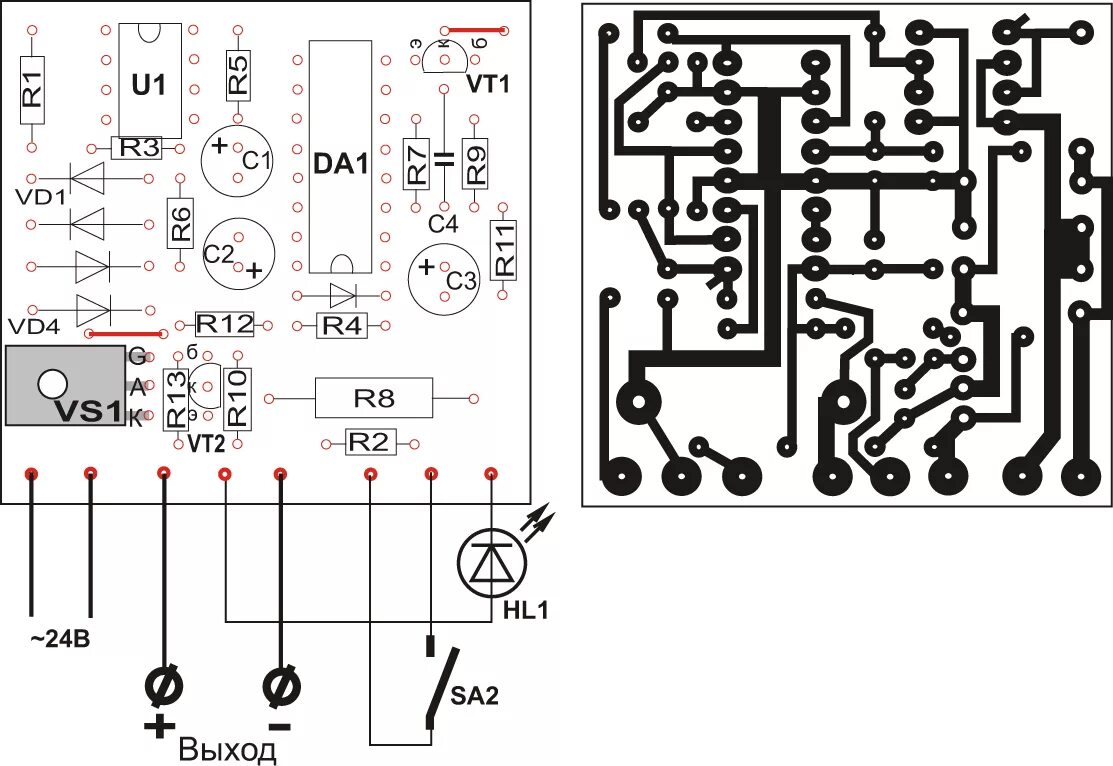
Зарядное устройство схема платы