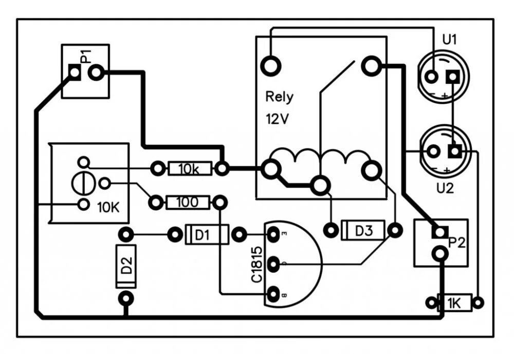
Зарядное устройство автоматическое отключение зарядки