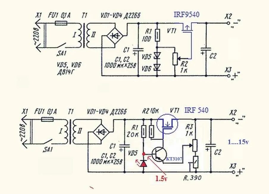
Зарядное устройство 30 вольт