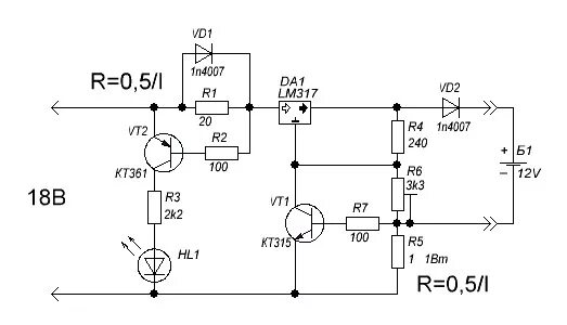
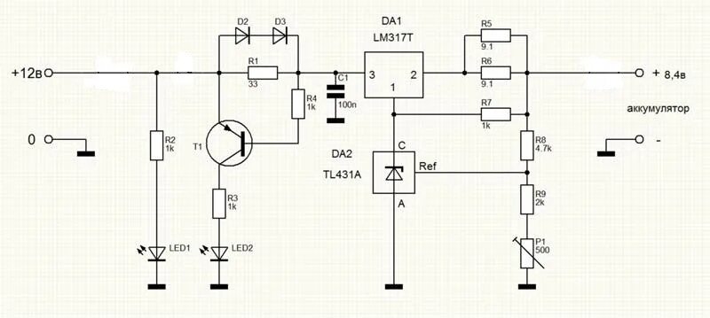
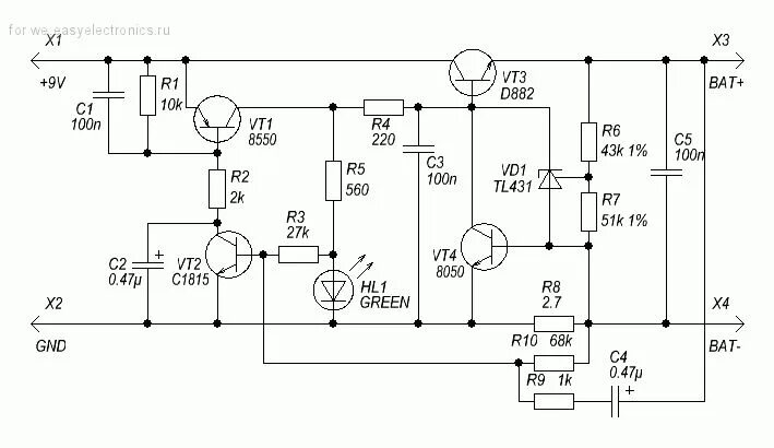
Зарядное для литиевых аккумуляторов 12 вольт