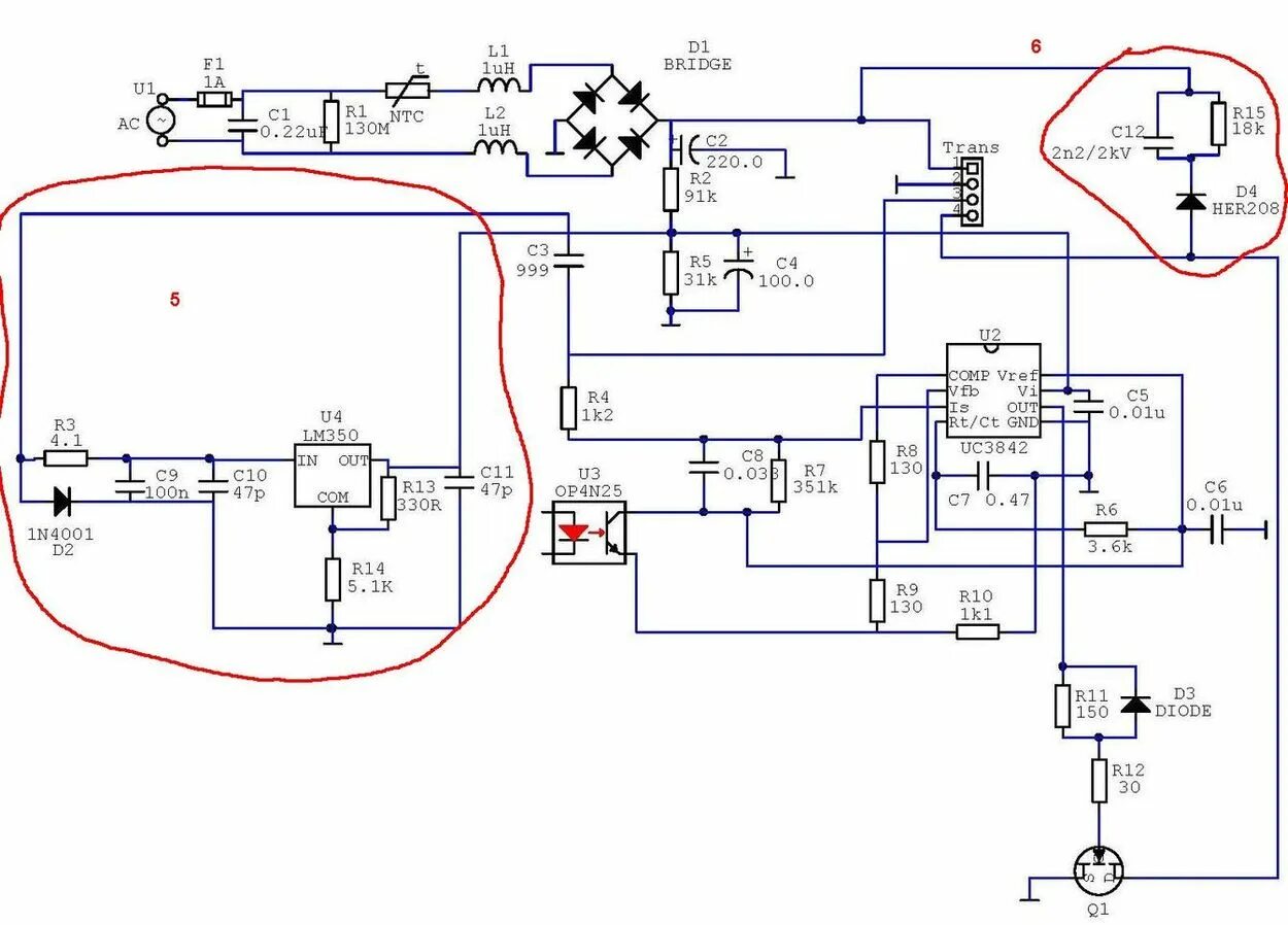
Зарядное bosch шуруповерт схема