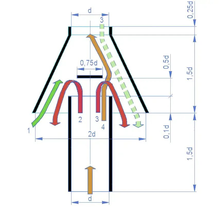
Задувает котел ветром