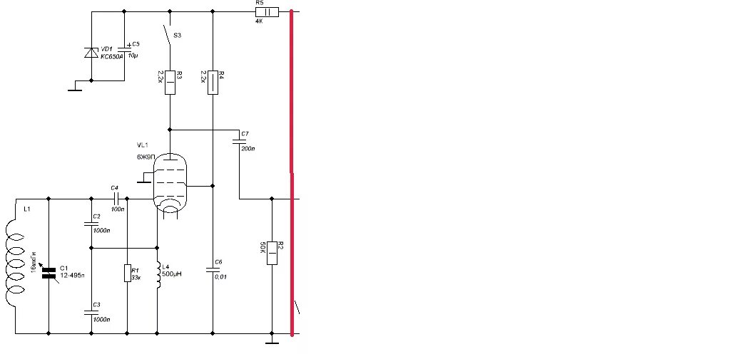
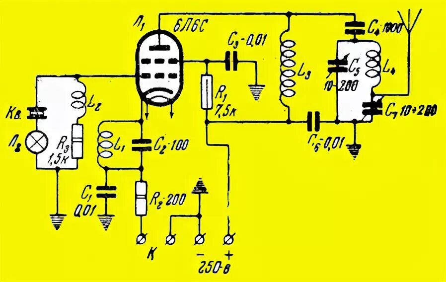
Задающий генератор на 3 мгц