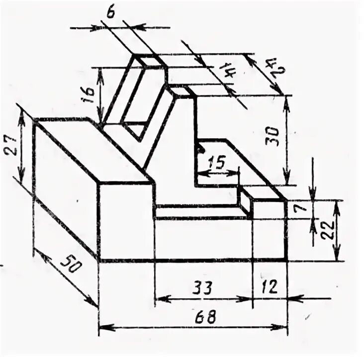
Задание 35 вариант 4