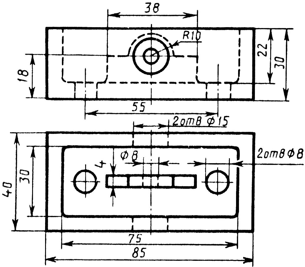
Задание 18 вариант 28