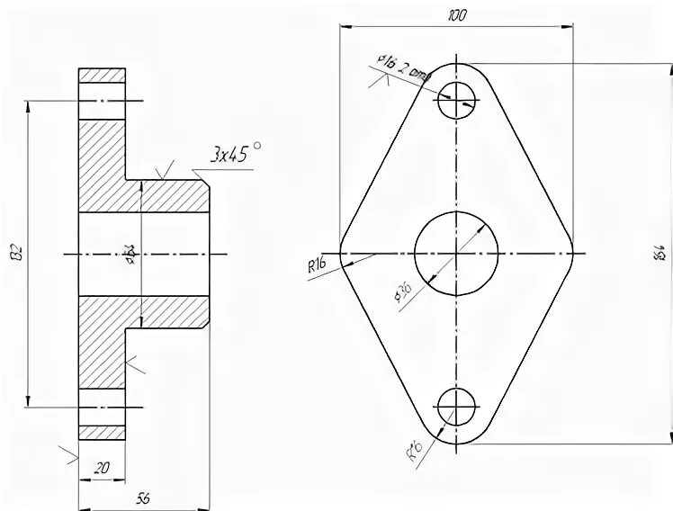
Задание 14 вариант 32