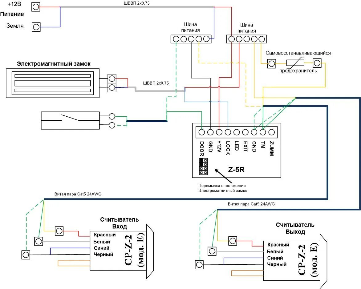
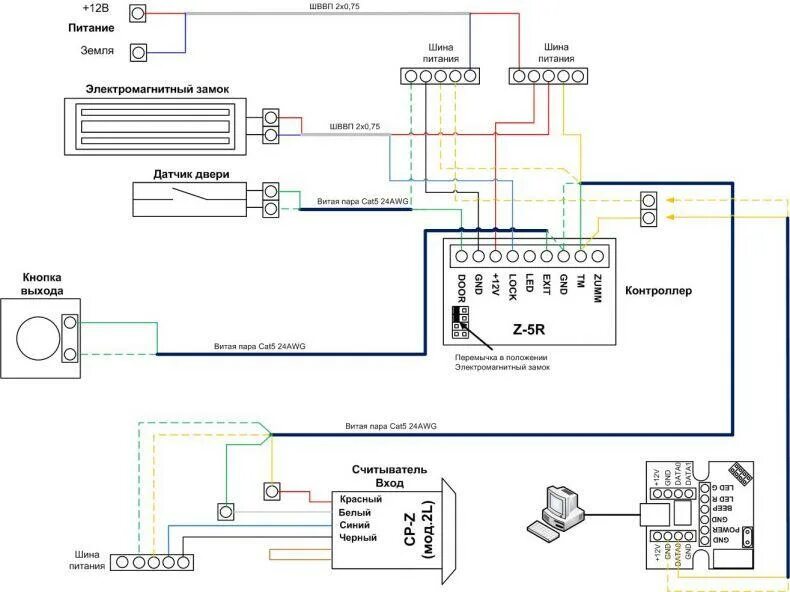
Z 5r схема подключения считывателя