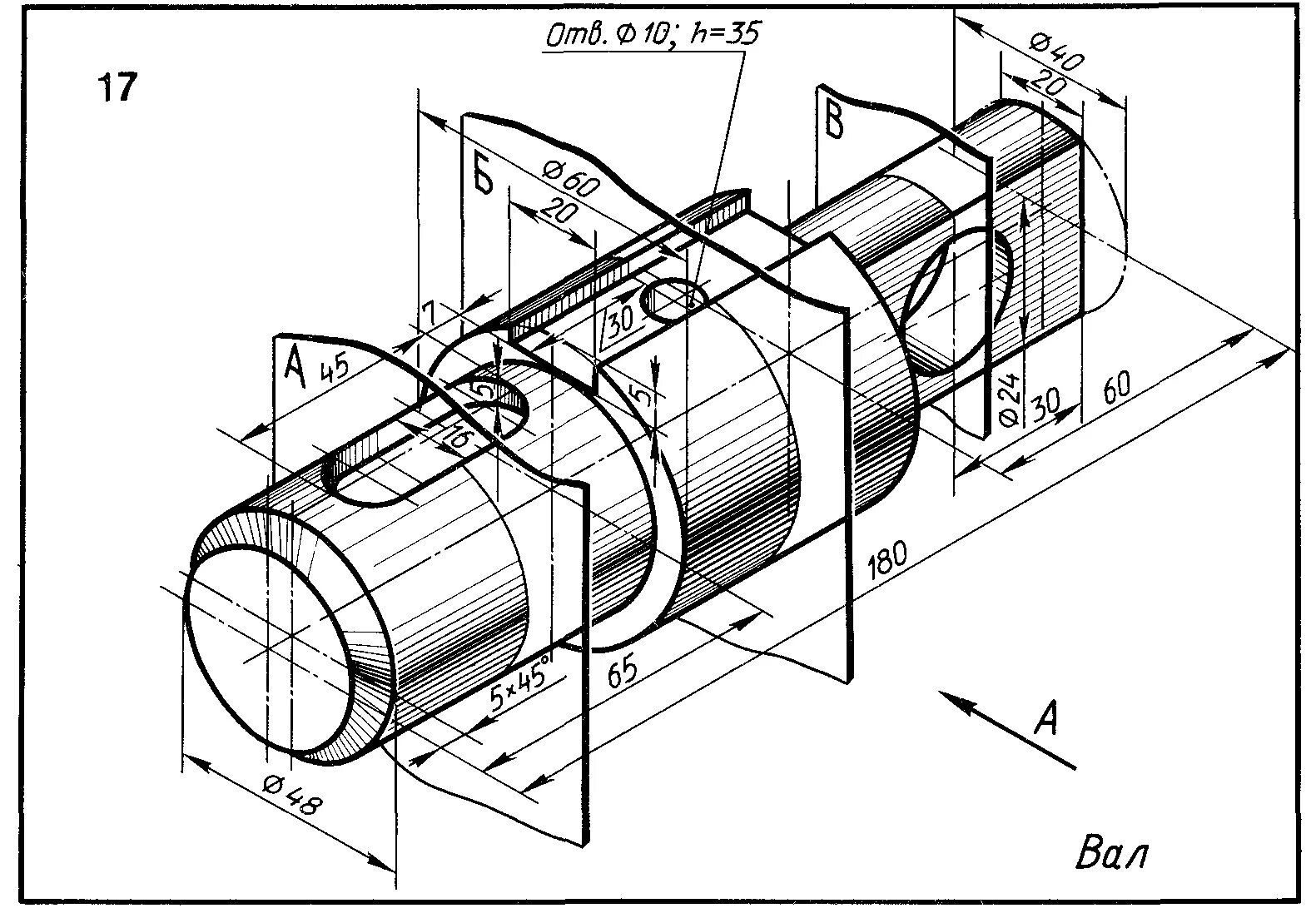
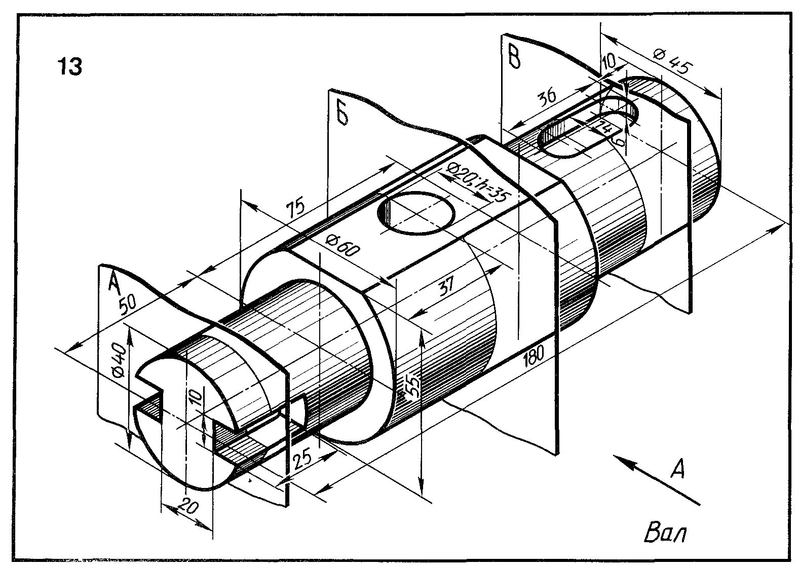
Выполнить три сечения