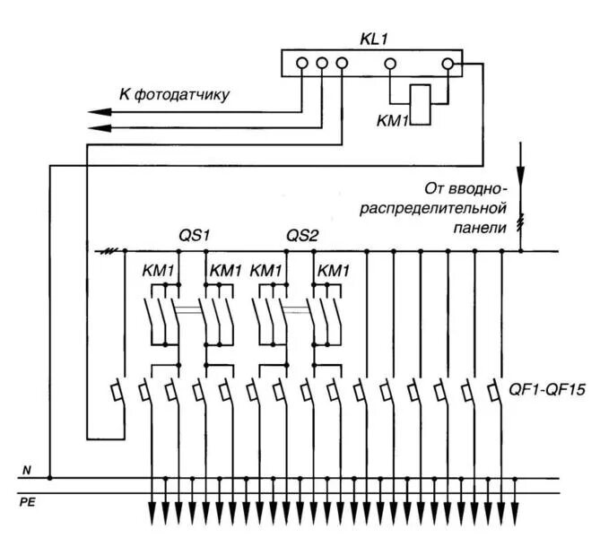
Выключатель автоматического управления освещением