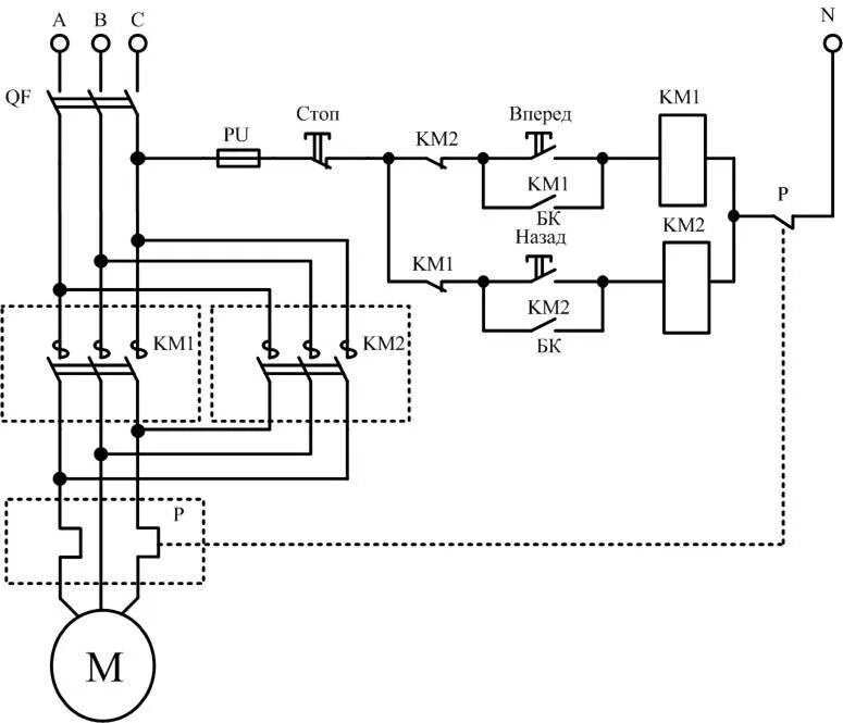
Выход реверса