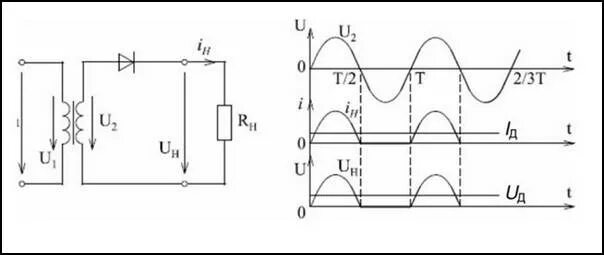
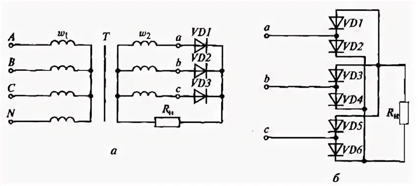
Выберите тип неуправляемых выпрямителей в электротехнике