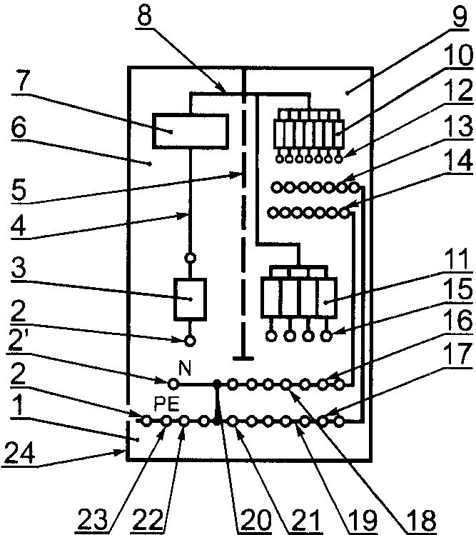
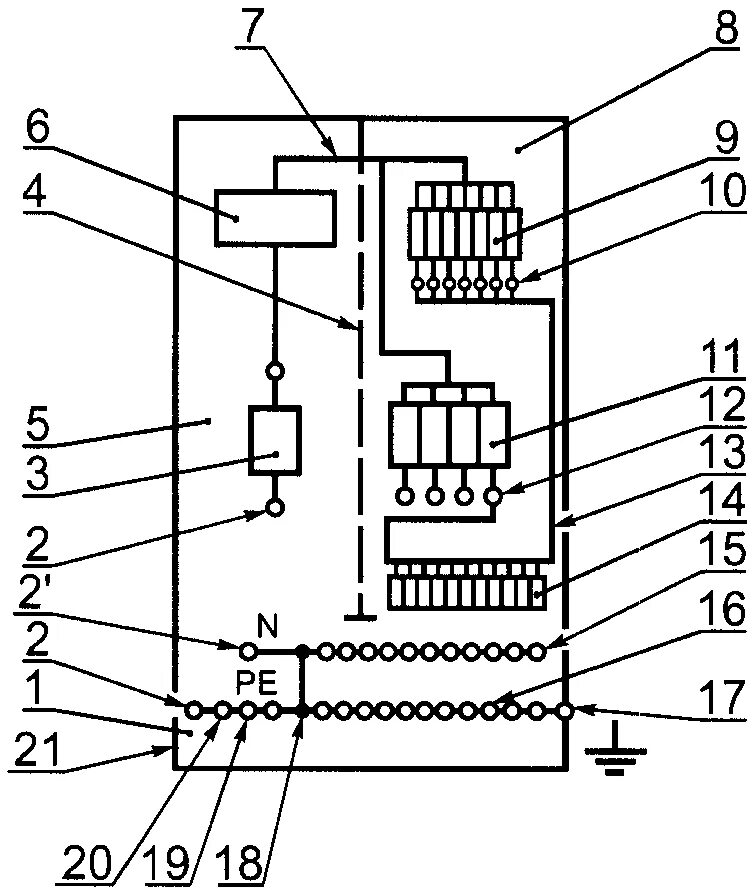
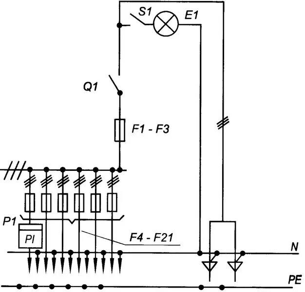
Вводно защитное устройство