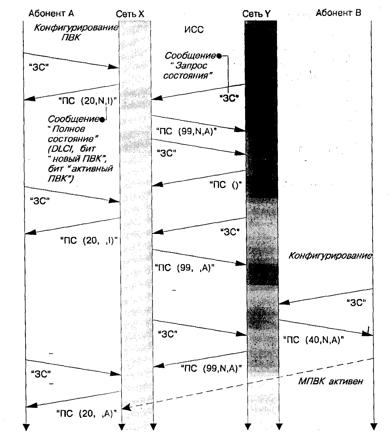
Время установления соединения