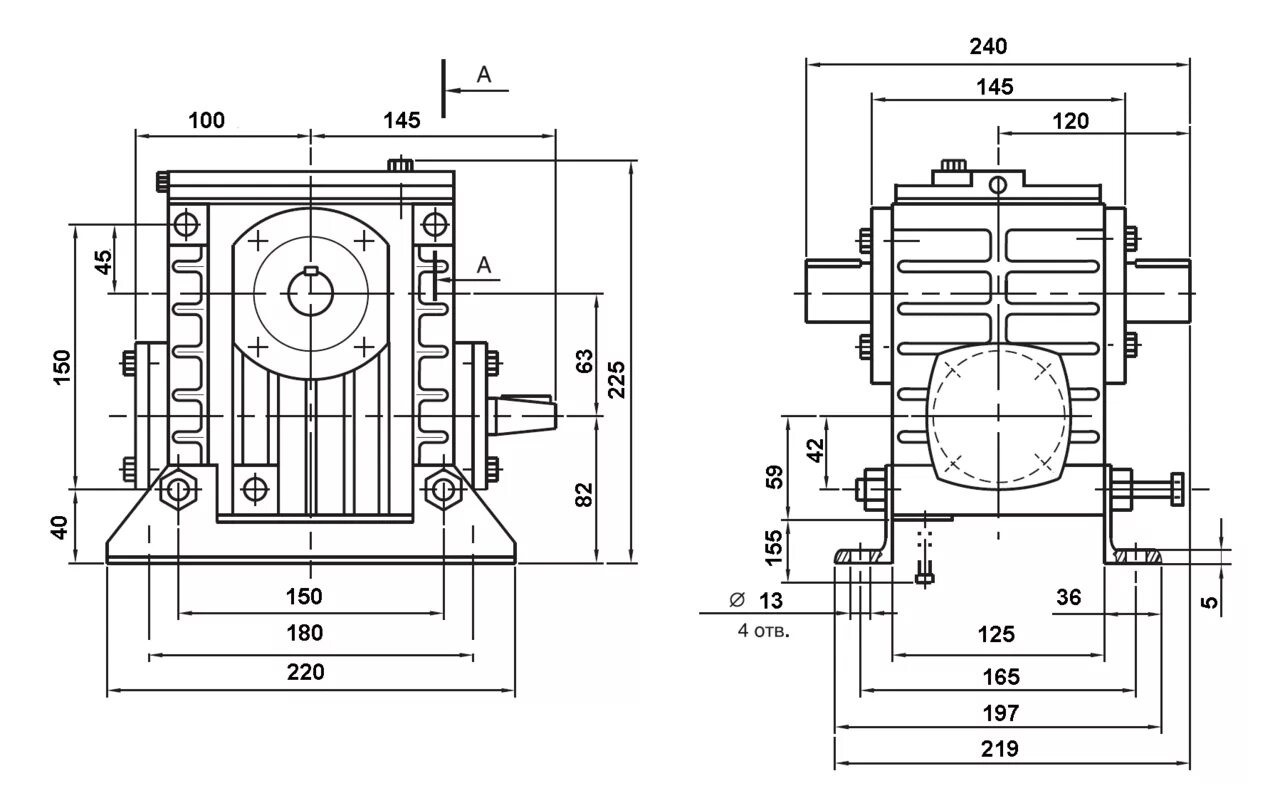
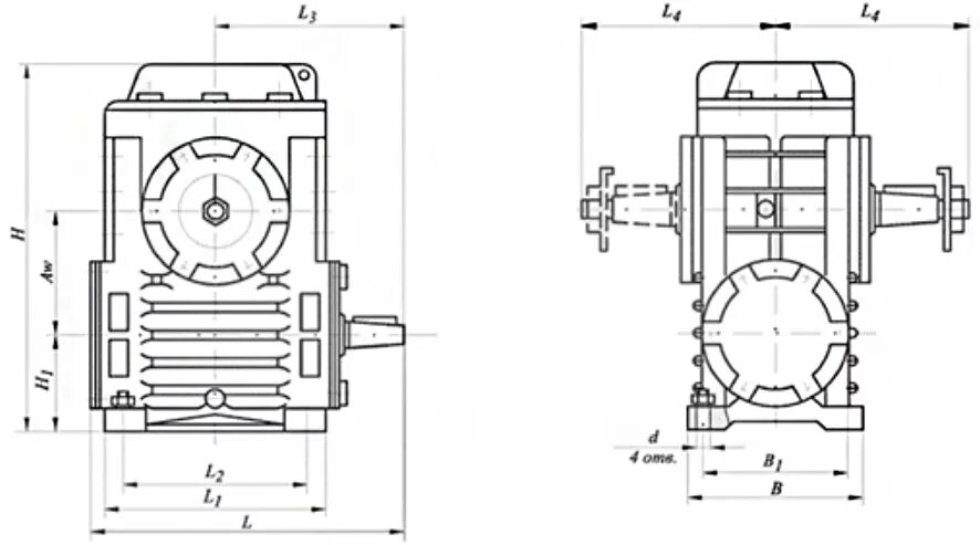
Вращение червячного редуктора