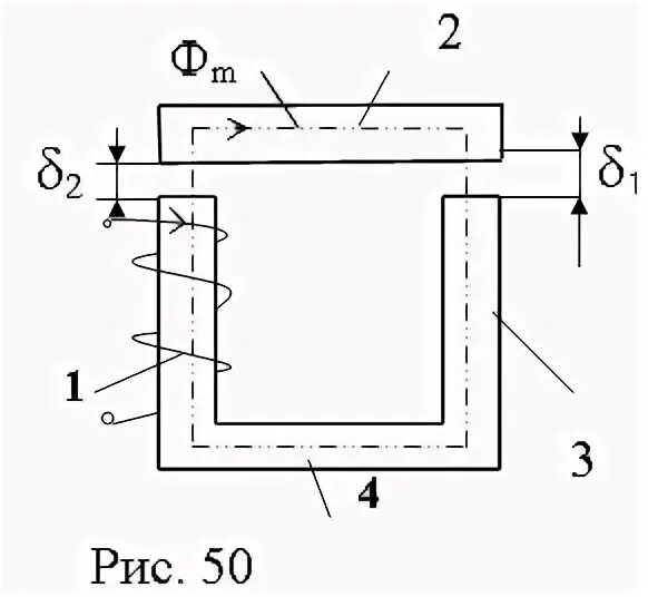
Воздушный зазор в сердечнике