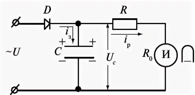
Вольтметры амплитудного значения