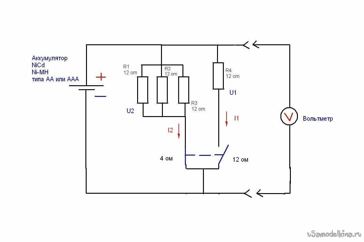
Внутреннего сопротивления 12 в аккумулятора