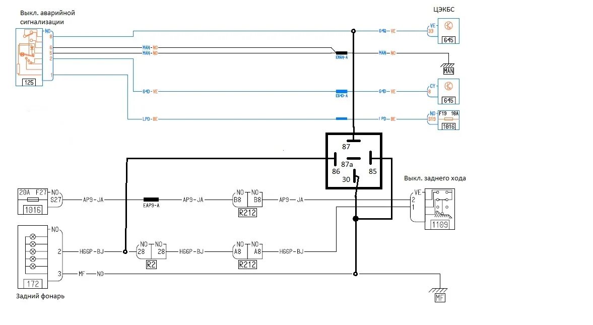
Включений аварийки при включении заднего