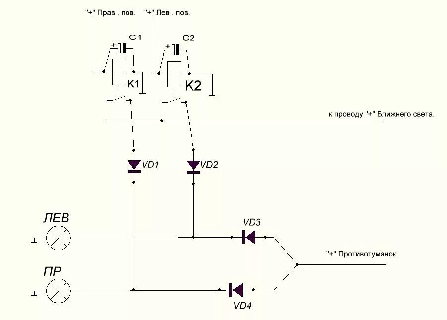
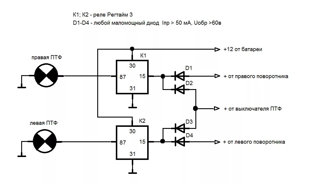
Включение птф при включении поворота