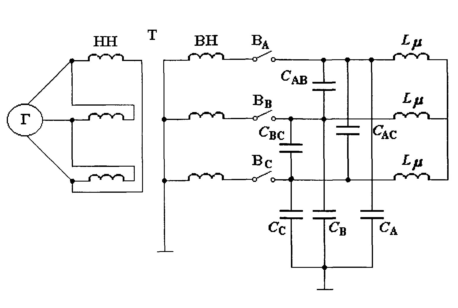
Включение ненагруженного трансформатора