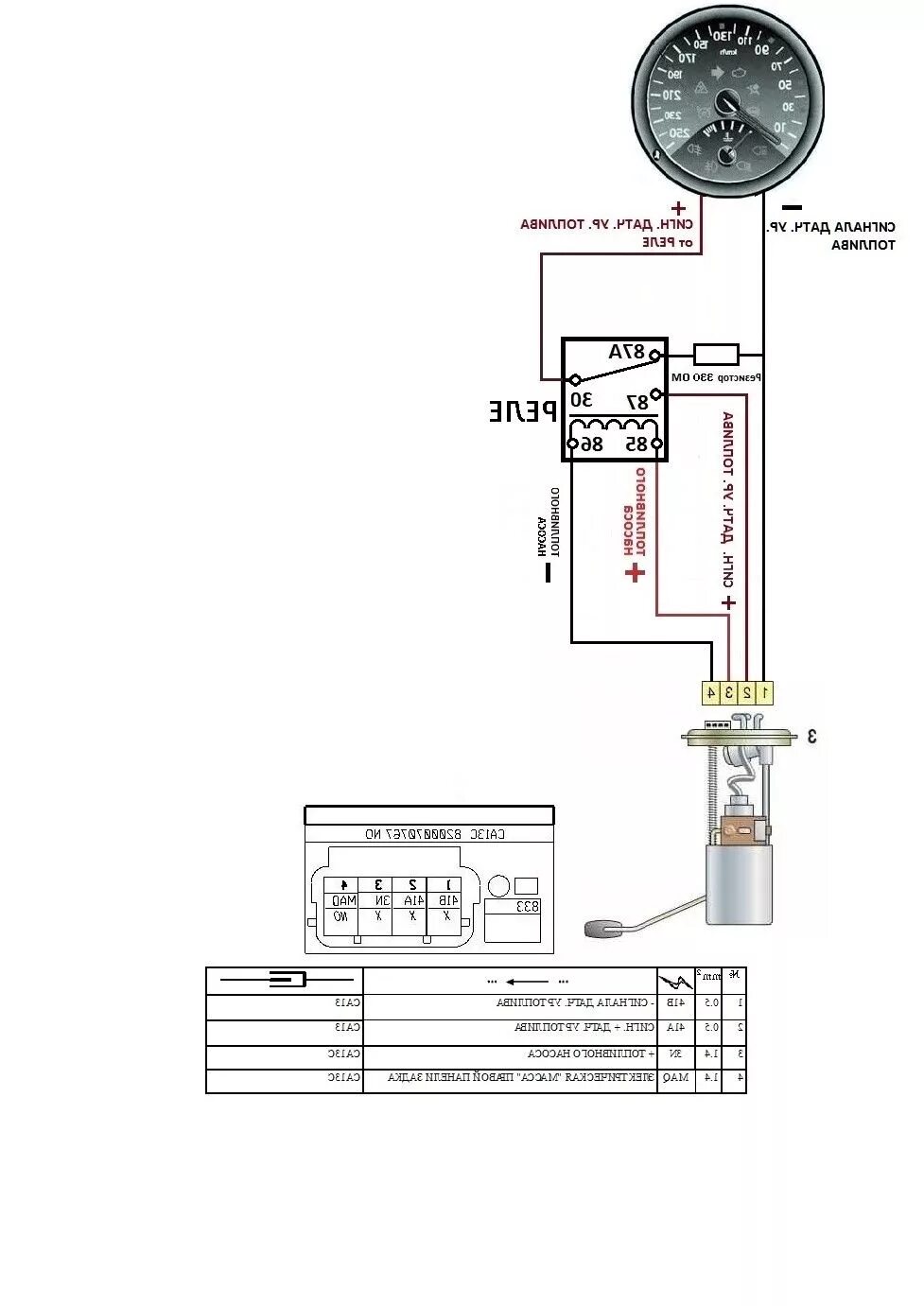
Включение датчика уровня