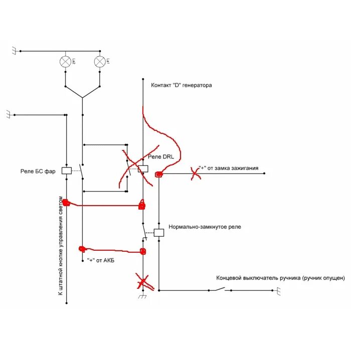
Включение ближнего света при движении