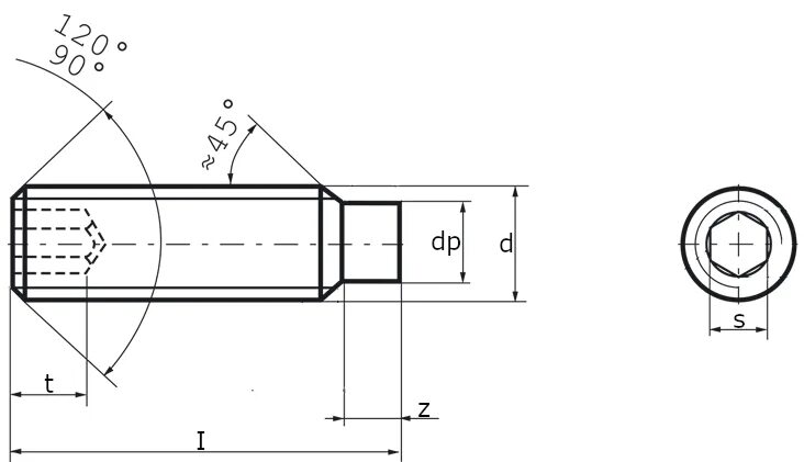
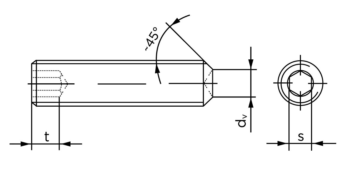
Винт с цапфой