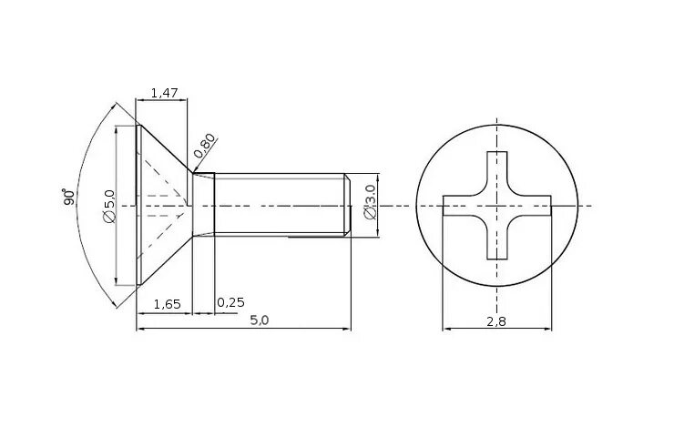
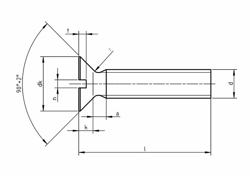
Винт с потайной головкой размеры