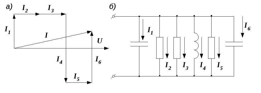
Векторная диаграмма при параллельном соединении