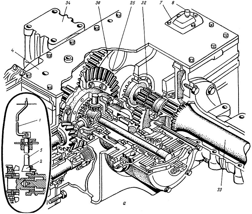
Ведущий мост трактора устройств