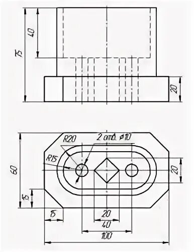
Вариант 10 опора