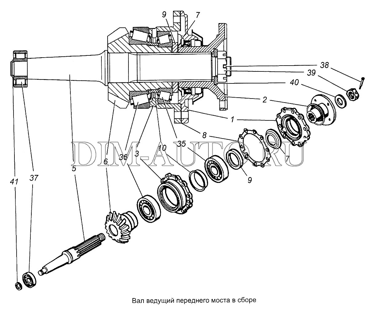
Вал ведущий переднего моста