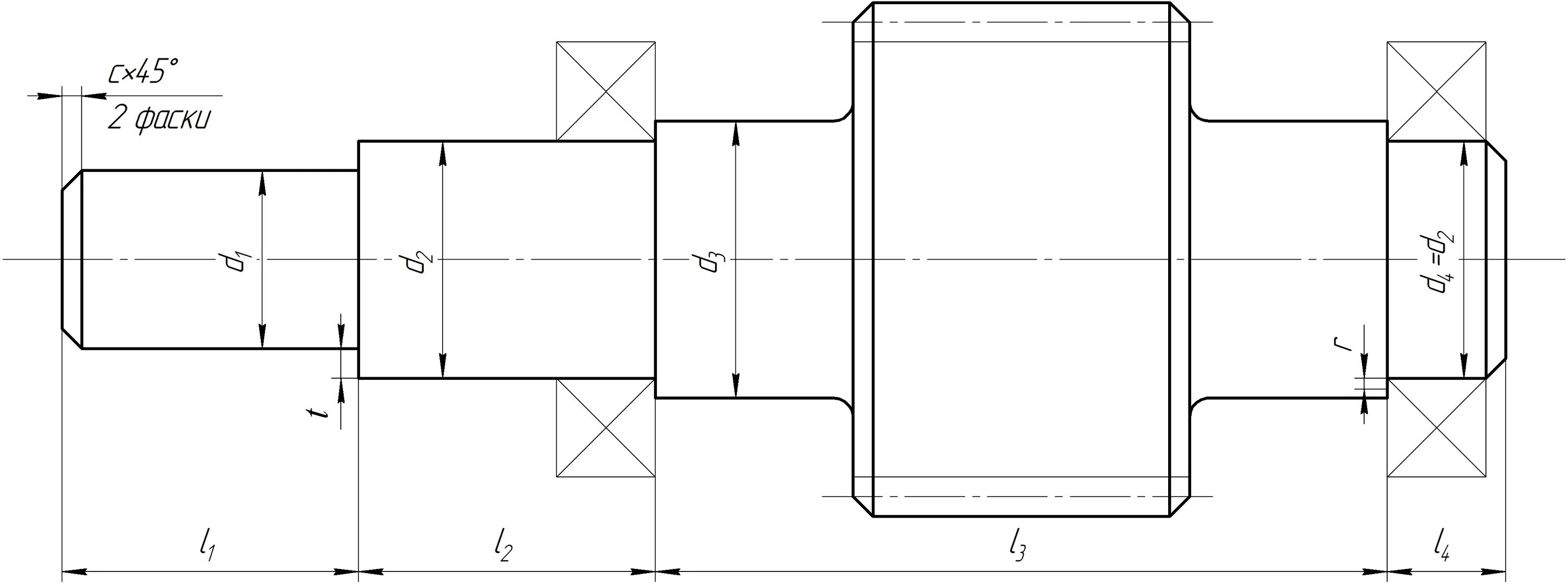
Вал цилиндрического редуктора