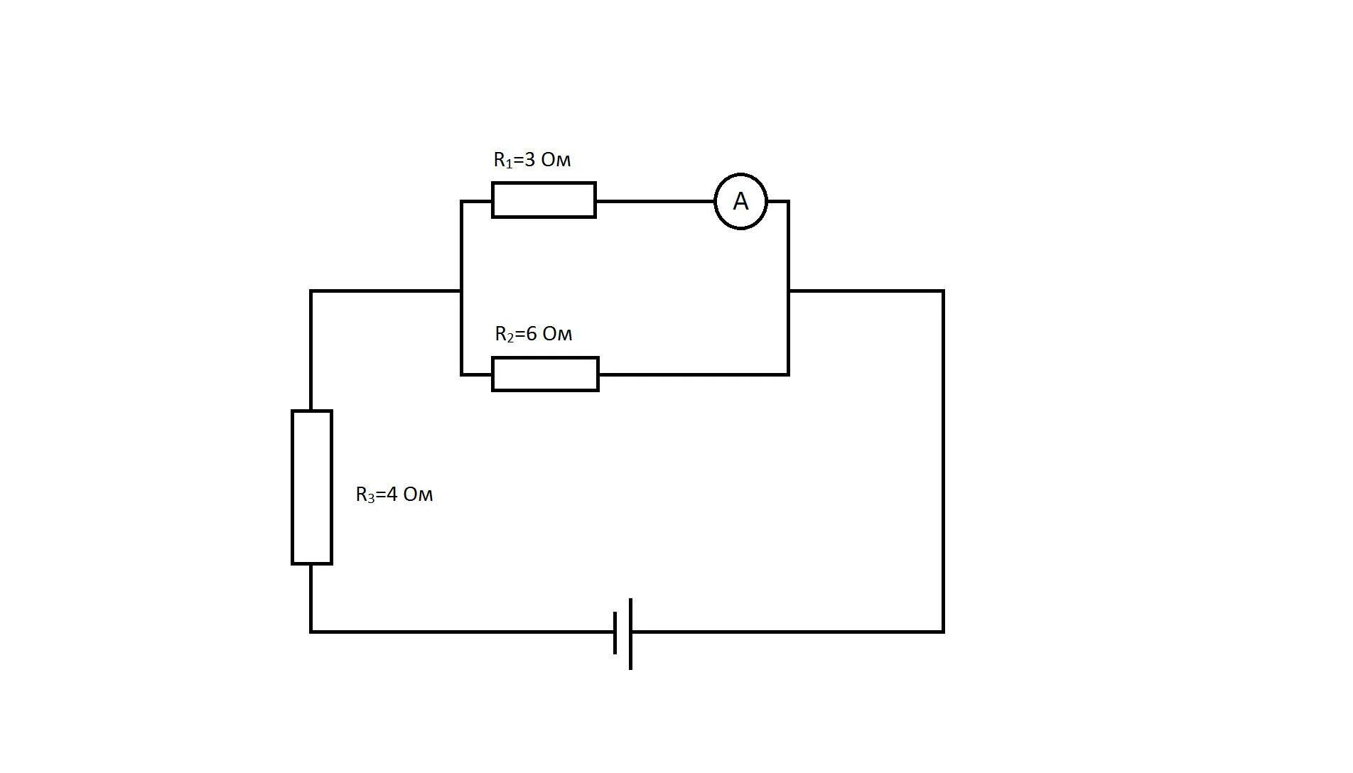
В цепи изображенной на рисунке идеальный амперметр