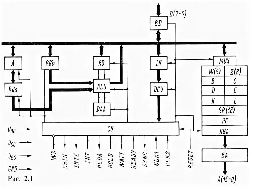
В состав микропроцессора входят арифметико логическое устройство