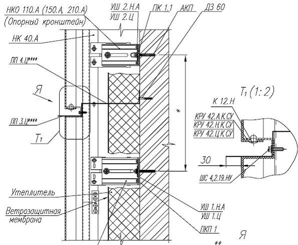
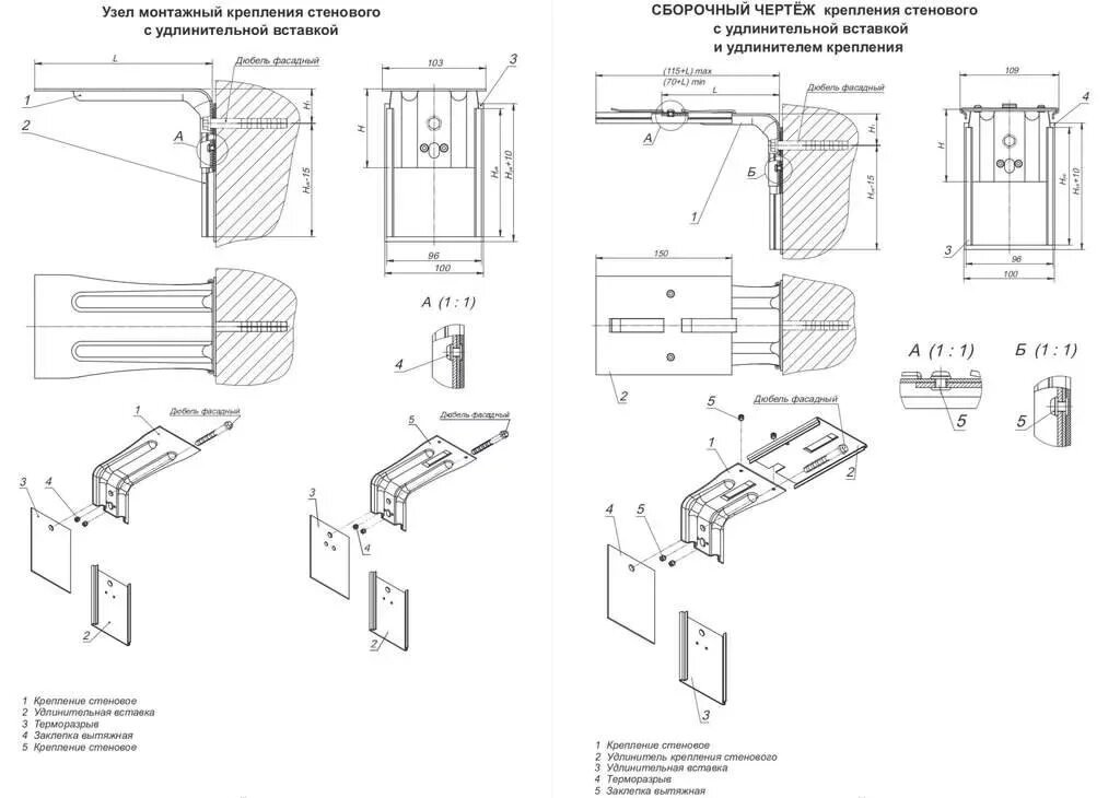
Узлы крепления подсистемы