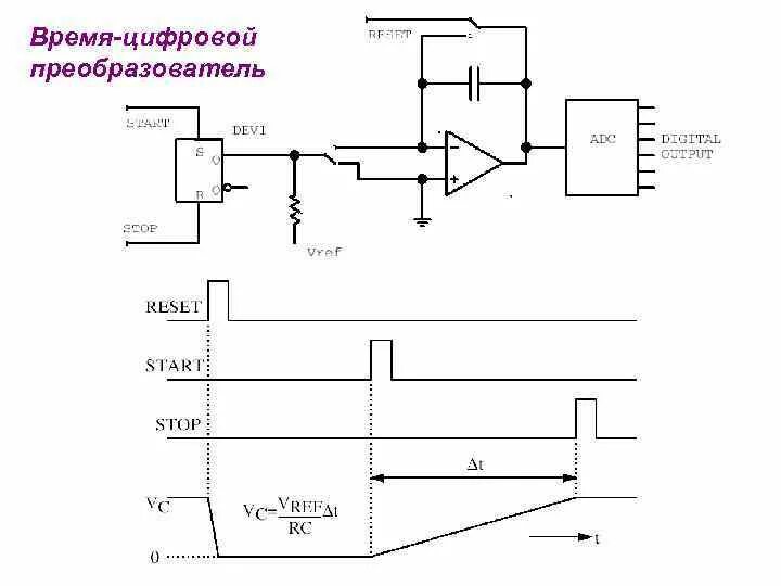
Устройство цифрового преобразователя сигнала