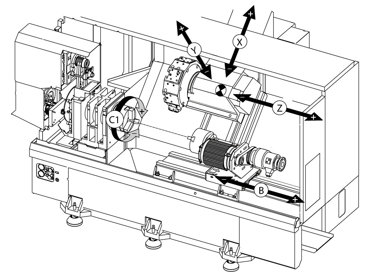
Устройство станков с программным управлением