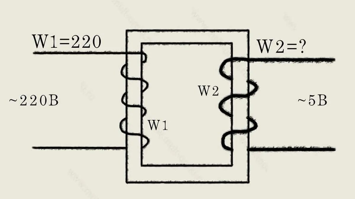
Устройство понижающего трансформатора